Dnes 20. 4. fungujeme takmer v bežnom režime. Expedícia objednávok už prebieha s minimálnym obmedzením, prechod na nový skladový systém však môže výnimočne spôsobiť drobné oneskorenie. Doručenie do 24–48 hodín sa postupne vracia do štandardu. Viac informácií nájdete tu.
Aretačný prípravok pre vačkové hriadele VAG, Porsche - 9319
Vhodné pre vozidlá (TDI CR) od roku 2003
Audi, Porsche, Seat, Skoda, Volkswagen 1.2 - 1.6 - 2.0 - 2.7 - 3.0 - 4.0 - 4.2 Common-Rail.
Kódy motora: ASB, ASE, BKN, BKS, BMK, BNG, BPP, BSG, BTR, BUG, BUN, BVN, CAAA, CAAB, CAAC, CAAD, CAAE, ČAGA, CAGB, CAGC, Caha, CAHB, CAMA, CAMB , CANA, Canby, canc, zubáč, CAPA, CARA, CASA, CASB, CASCO, CASD, CATA, Caya, CAYB, Cayce, CAYD, CAYE, CBAA, CBAB, CBAC, CBBA, CBBB, CBDA, CBDB, CBDC, CCFA , CCFC, Cchao, CCHB, CCLA, CCMA, CCWA, CCWB, CDBA, CDCA, CDSB, CDTA, CDTB, CDUC, CDUD, CDYA, CDYB, CDYC, Cega, CEXA, CFCA, CFFA, CFFB, CFFD, CFFE, CFGB , CFGC, CFGD, CFHA, CFHB, CFHC, CFHD, CFHE, CFHF, CFJA, CFWA, CGKA, CGKB, CGLA, CGLB, CGLC, CGLD, CGLE, CGQB, CJAA, CJCA, CJCB, CJCC, CJCD, CJGA, CJGC , CJGD, CJMA, CKDA, CKTB, CKTC, CKUB, CKUC, CKVB, CKVC, CLAA, CLAB, CLCA, CLCB, CLJA, CLLA, člna, CLZB, CMEA, CMFA, CMFB, CMGB, CMHA, CNEA, CNFA, CNRB , CRCA, CSHA, M05 / 9D (CAS), M05 / 9E, M05 / 9E (CRCA), M05 / 9E (CRCB)
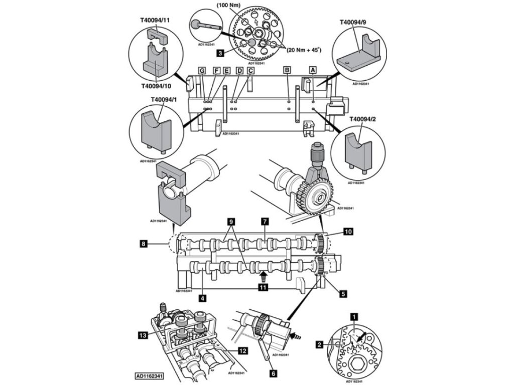
Obsahuje nasledujúce nástroje: Montážny prípravok ako OEM T40094. Aretačný prípravok vačkové hriadele OEM T40095. 2x svorky ako OEM T40096 a T40096 / 1.4x aretačná prípravok vačkového hriadeľa ako OEM T40094 / 1, T40094 / 2, T40094 / 9, T40094 / 10. Aretačný prípravok vačkového hriadeľa OEM T40094 / 11.
Popis produktu nie je dostupný
Dodatočné parametre
| Kategória: | Aretácia rozvodov a časovanie motorov pre vozidlá Porsche |
|---|---|
| EAN: | 4026947093192 |
Buďte prvý, kto napíše príspevok k tejto položke.
BGS technic sa špecializuje predovšetkým na autoservisné prípravky a vybavenie (napr. aretačné prípravky na rozvody), dielenské vybavenie, ručné náradie, pneumatické náradie a elektrické náradie. Sortiment dopĺňaspotrebný tovar, ako napr. poistky, pružinky, závlačky, príchytky na čalúnenie alebo poistné krúžky, tzv. Rozsah je teda skutočne široký.
Firma BGS technic bola založená v roku 1970 v Nemecku. Jej výrobky sa predávajú vo viac ako 60 krajinách sveta. Za dobu svojej existencie sa spoločnosť stala symbolom mimoriadnej kvality a pokroku vďaka neustálym snahám o inovácie. Synonymom všetkého sortimentu sú predovšetkým dlhá životnosť a užívateľská príjemnosť. Spotrebitelia z radov automechanikov, remeselníkov i náročnejších domácich užívateľov - domácich majstrov - si pri výrobkoch chvália praktickosť a premyslenú konštrukciu, ktoré prácu pomáhajú uľahčiť.
Hlavným cieľom BGS technic je ponúknuť rýchly servis, komplexný sortiment a produktové inovácie s vysokou kvalitou za dostupné ceny.
Obchod MojaDielna.sk je popredným predajcom značky BGS, a to nielen na internete. Už od samého začiatku našej existencie v roku 2013 obsahuje naša ponuka veľké množstvo výrobkov s typickým červenobielym logom, v súčasnosti potom ponúkame viac ako 1400 druhov tovaru tejto značky. Jej sortiment navyše neustále rozširujeme, takže sme schopní ponúknuť zákazníkom skutočne široké spektrum produktov. Veľké množstvo výrobkov máme neustále skladom, takže sú v prípade potreby dostupné skutočne veľmi rýchlo. Pokiaľ sa stane, že tovar na sklade nie je, sme schopní ho dodať rádovo do týždňa. Skrátka a dobre, "čo nemáme, dodáme".
Prezrite si katalóg značky BGS technic tu! (2020/2021 - Nemčina, PDF)
Veľkoobchod BGS technic
Produkt výrobcu BGS technic dodávame tiež veľkoobchodne. Pre viac informácií nás neváhajte kontaktovať na emaile tom.kyselka@gmail.com alebo telefónu (+420) 775 400 912.


